Greenville, TX
|
Give Us a Call
(903) 454-4440
Toggle navigation
Home
Brands
Manufacturer Models
OEM Promotions
Polaris
Can-Am
E-Z-Go
Honda
Kawasaki
Suzuki
Inventory
All Inventory In Stock
New Inventory In Stock
Used Inventory
Value Your Trade-In
Request a Model
Schedule a Test Ride
Secure Financing
Parts
Parts Department
Parts Finder
Service
Service Department
Request Polaris Service
Warranty & Recall Look-Up
Specials
Financing
About
Our Dealership
Our Team
Reviews
Customer Survey
Employment
Events Calendar
Locations
Location & Hours
Contact
Parts Finder
Home
›
Parts
›
Parts Finder
Search by :
Part / Desc
VIN
Please Select
Arctic Cat
Honda
Kawasaki
Polaris
Suzuki
*Please enter at least 3 characters
SEARCH
Manufacturer
Arctic Cat
ATVs
2019
ALTERRA 700 MUD PRO LTD EPS BLUE [A2019MLT1PUSE]
VIEW WISH LIST
Select a Section
Show/Hide
AIR INTAKE ASSEMBLY [303034]
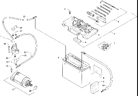
BATTERY AND STARTER ASSEMBLY [303144]
CAM CHAIN ASSEMBLY [300283]
CASE/BELT COOLING ASSEMBLY [97630]
CLUTCH/V-BELT/MAGNETO COVER ASSEMBLY [303146]
COOLING ASSEMBLY [302148]
CRANK BALANCER ASSEMBLY [301654]
CRANKCASE ASSEMBLY [301652]
CRANKSHAFT AND PISTON ASSEMBLY [301781]
CYLINDER ASSEMBLY [302153]
CYLINDER HEAD AND CAMSHAFT/VALVE ASSEMBLY [302154]
DECALS [303150]
DRIVE TRAIN ASSEMBLY [301717]
ENGINE AND EXHAUST [301716]
FRAME AND RELATED PARTS [303137]
FRONT DRIVE GEARCASE ASSEMBLY [303142]
FRONT RACK, BODY PANEL, AND HEADLIGHT ASSEMBLIES [303135]
FRONT SUSPENSION ASSEMBLY [302256]
GAS TANK ASSEMBLY [303141]
GEAR SHIFTING ASSEMBLY [303149]
HANDLEBAR ASSEMBLY [303139]
HYDRAULIC BRAKE ASSEMBLY [302259]
INSTRUMENT POD ASSEMBLY [303140]
MAGNETO ASSEMBLY [300128]
OIL FILTER/PUMP ASSEMBLY [301655]
REAR DRIVE GEARCASE ASSEMBLY [100344]
REAR RACK, BODY PANEL, AND FOOTWELL ASSEMBLIES [303136]
REAR SUSPENSION ASSEMBLY [302257]
SEAT ASSEMBLY [100274]
SECONDARY DRIVE ASSEMBLY [302157]
SECONDARY TRANSMISSION ASSEMBLY [303148]
SHIFT LEVER ASSEMBLY [301167]
STARTER CLUTCH ASSEMBLY [300126]
STEERING ASSEMBLY [301710]
TAILLIGHT ASSEMBLY [88992]
THROTTLE BODY ASSEMBLY [303145]
TRANSMISSION ASSEMBLY [303147]
WATER PUMP ASSEMBLY [301656]
WHEEL AND TIRE ASSEMBLY [302258]
WINCH ASSEMBLY [303138]
WIRING HARNESS ASSEMBLY [303143]
AIR INTAKE ASSEMBLY [303034]
BATTERY AND STARTER ASSEMBLY [303144]
CAM CHAIN ASSEMBLY [300283]
CASE/BELT COOLING ASSEMBLY [97630]
CLUTCH/V-BELT/MAGNETO COVER ASSEMBLY [303146]
COOLING ASSEMBLY [302148]
CRANK BALANCER ASSEMBLY [301654]
CRANKCASE ASSEMBLY [301652]
CRANKSHAFT AND PISTON ASSEMBLY [301781]
CYLINDER ASSEMBLY [302153]
CYLINDER HEAD AND CAMSHAFT/VALVE ASSEMBLY [302154]
DECALS [303150]
DRIVE TRAIN ASSEMBLY [301717]
ENGINE AND EXHAUST [301716]
FRAME AND RELATED PARTS [303137]
FRONT DRIVE GEARCASE ASSEMBLY [303142]
FRONT RACK, BODY PANEL, AND HEADLIGHT ASSEMBLIES [303135]
FRONT SUSPENSION ASSEMBLY [302256]
GAS TANK ASSEMBLY [303141]
GEAR SHIFTING ASSEMBLY [303149]
HANDLEBAR ASSEMBLY [303139]
HYDRAULIC BRAKE ASSEMBLY [302259]
INSTRUMENT POD ASSEMBLY [303140]
MAGNETO ASSEMBLY [300128]
OIL FILTER/PUMP ASSEMBLY [301655]
REAR DRIVE GEARCASE ASSEMBLY [100344]
REAR RACK, BODY PANEL, AND FOOTWELL ASSEMBLIES [303136]
REAR SUSPENSION ASSEMBLY [302257]
SEAT ASSEMBLY [100274]
SECONDARY DRIVE ASSEMBLY [302157]
SECONDARY TRANSMISSION ASSEMBLY [303148]
SHIFT LEVER ASSEMBLY [301167]
STARTER CLUTCH ASSEMBLY [300126]
STEERING ASSEMBLY [301710]
TAILLIGHT ASSEMBLY [88992]
THROTTLE BODY ASSEMBLY [303145]
TRANSMISSION ASSEMBLY [303147]
WATER PUMP ASSEMBLY [301656]
WHEEL AND TIRE ASSEMBLY [302258]
WINCH ASSEMBLY [303138]
WIRING HARNESS ASSEMBLY [303143]
VIEW WISH LIST