Greenville, TX
|
Give Us a Call
(903) 454-4440
Toggle navigation
Home
Brands
Manufacturer Models
OEM Promotions
Polaris
Can-Am
E-Z-Go
Honda
Kawasaki
Suzuki
Inventory
All Inventory In Stock
New Inventory In Stock
Used Inventory
Value Your Trade-In
Request a Model
Schedule a Test Ride
Secure Financing
Parts
Parts Department
Parts Finder
Service
Service Department
Request Polaris Service
Warranty & Recall Look-Up
Specials
Financing
About
Our Dealership
Our Team
Reviews
Customer Survey
Employment
Events Calendar
Locations
Location & Hours
Contact
Parts Finder
Home
›
Parts
›
Parts Finder
Search by :
Part / Desc
VIN
Please Select
Arctic Cat
Honda
Kawasaki
Polaris
Suzuki
*Please enter at least 3 characters
SEARCH
Manufacturer
Arctic Cat
ATVs
2017
ATV ALTERRA 450 T3 GREEN [A2017KAK4C3TG]
VIEW WISH LIST
Select a Section
Show/Hide
AIR INTAKE ASSEMBLY [96409]
BATTERY AND STARTER ASSEMBLY [302351]
CAM CHAIN ASSEMBLY [301451]
CASE/BELT COOLING ASSEMBLY [301927]
CLUTCH/V-BELT/MAGNETO COVER ASSEMBLY [301453]
COOLING ASSEMBLY [302349]
CRANK BALANCER ASSEMBLY [301454]
CRANKCASE ASSEMBLY [300573]
CRANKSHAFT AND PISTON ASSEMBLY [301452]
CYLINDER ASSEMBLY [92762]
CYLINDER HEAD AND CAMSHAFT/VALVE ASSEMBLY [300571]
DRIVE TRAIN ASSEMBLY [301928]
ENGINE AND EXHAUST [302348]
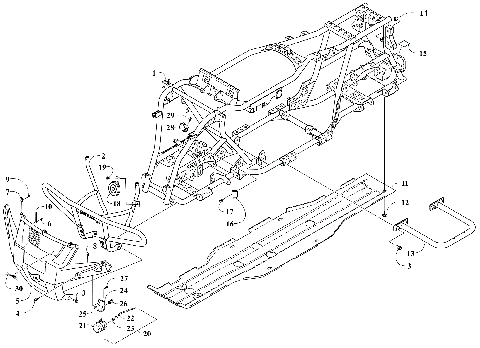
FRAME AND RELATED PARTS [302343]
FRONT BODY, RACK, AND HEADLIGHT ASSEMBLY [302340]
FRONT DRIVE GEARCASE ASSEMBLY [301367]
FRONT SUSPENSION ASSEMBLY [301924]
GAS TANK ASSEMBLY [302347]
GEAR SHIFTING ASSEMBLY [94326]
HANDLEBAR ASSEMBLY [302344]
HYDRAULIC BRAKE ASSEMBLY [302346]
LICENSE PLATE HOLDER ASSEMBLY [302353]
MAGNETO ASSEMBLY [301458]
OIL PUMP AND STRAINER ASSEMBLY [301455]
PARKING BRAKE ASSEMBLY [96050]
REAR BODY, RACK, AND TAILLIGHT ASSEMBLY [302342]
REAR DRIVE GEARCASE ASSEMBLY [97672]
REAR SUSPENSION ASSEMBLY [301925]
SEAT ASSEMBLY [301363]
SECONDARY DRIVE ASSEMBLY [94327]
SECONDARY TRANSMISSION ASSEMBLY [301457]
SHIFT LEVER ASSEMBLY [301366]
STARTER CLUTCH ASSEMBLY [92888]
STEERING ASSEMBLY [300613]
THROTTLE BODY ASSEMBLY [302352]
TRANSMISSION ASSEMBLY [301456]
WATER PUMP ASSEMBLY [301459]
WHEEL AND TIRE ASSEMBLY [302345]
WINCH ASSEMBLY [300583]
WIRING HARNESS ASSEMBLY [302350]
AIR INTAKE ASSEMBLY [96409]
BATTERY AND STARTER ASSEMBLY [302351]
CAM CHAIN ASSEMBLY [301451]
CASE/BELT COOLING ASSEMBLY [301927]
CLUTCH/V-BELT/MAGNETO COVER ASSEMBLY [301453]
COOLING ASSEMBLY [302349]
CRANK BALANCER ASSEMBLY [301454]
CRANKCASE ASSEMBLY [300573]
CRANKSHAFT AND PISTON ASSEMBLY [301452]
CYLINDER ASSEMBLY [92762]
CYLINDER HEAD AND CAMSHAFT/VALVE ASSEMBLY [300571]
DRIVE TRAIN ASSEMBLY [301928]
ENGINE AND EXHAUST [302348]
FRAME AND RELATED PARTS [302343]
FRONT BODY, RACK, AND HEADLIGHT ASSEMBLY [302340]
FRONT DRIVE GEARCASE ASSEMBLY [301367]
FRONT SUSPENSION ASSEMBLY [301924]
GAS TANK ASSEMBLY [302347]
GEAR SHIFTING ASSEMBLY [94326]
HANDLEBAR ASSEMBLY [302344]
HYDRAULIC BRAKE ASSEMBLY [302346]
LICENSE PLATE HOLDER ASSEMBLY [302353]
MAGNETO ASSEMBLY [301458]
OIL PUMP AND STRAINER ASSEMBLY [301455]
PARKING BRAKE ASSEMBLY [96050]
REAR BODY, RACK, AND TAILLIGHT ASSEMBLY [302342]
REAR DRIVE GEARCASE ASSEMBLY [97672]
REAR SUSPENSION ASSEMBLY [301925]
SEAT ASSEMBLY [301363]
SECONDARY DRIVE ASSEMBLY [94327]
SECONDARY TRANSMISSION ASSEMBLY [301457]
SHIFT LEVER ASSEMBLY [301366]
STARTER CLUTCH ASSEMBLY [92888]
STEERING ASSEMBLY [300613]
THROTTLE BODY ASSEMBLY [302352]
TRANSMISSION ASSEMBLY [301456]
WATER PUMP ASSEMBLY [301459]
WHEEL AND TIRE ASSEMBLY [302345]
WINCH ASSEMBLY [300583]
WIRING HARNESS ASSEMBLY [302350]
VIEW WISH LIST