Greenville, TX
|
Give Us a Call
(903) 454-4440
Toggle navigation
Home
Brands
Manufacturer Models
OEM Promotions
Polaris
Can-Am
E-Z-Go
Honda
Kawasaki
Suzuki
Inventory
All Inventory In Stock
New Inventory In Stock
Used Inventory
Value Your Trade-In
Request a Model
Schedule a Test Ride
Secure Financing
Parts
Parts Department
Parts Finder
Service
Service Department
Request Polaris Service
Warranty & Recall Look-Up
Specials
Financing
About
Our Dealership
Our Team
Reviews
Customer Survey
Employment
Events Calendar
Locations
Location & Hours
Contact
Parts Finder
Home
›
Parts
›
Parts Finder
Search by :
Part / Desc
VIN
Please Select
Arctic Cat
Honda
Kawasaki
Polaris
Suzuki
*Please enter at least 3 characters
SEARCH
Manufacturer
Arctic Cat
ATVs
2017
ALTERRA TRV XT EPS RED [A2017TKW1PUSE]
VIEW WISH LIST
Select a Section
Show/Hide
AIR INTAKE ASSEMBLY [301884]
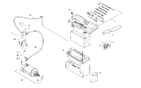
BATTERY AND STARTER ASSEMBLY [301890]
CAM CHAIN ASSEMBLY [300149]
CASE/BELT COOLING ASSEMBLY [301887]
CLUTCH SIDE ENGINE COVERS [300311]
COOLING ASSEMBLY [301886]
CRANKCASE ASSEMBLY [300313]
CRANKSHAFT AND PISTON ASSEMBLY [301827]
CYLINDER ASSEMBLY [300314]
CYLINDER HEAD AND CAMSHAFT/VALVE ASSEMBLY [300315]
DRIVE TRAIN ASSEMBLY [301888]
ENGINE AND EXHAUST [301885]
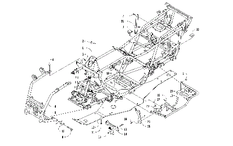
FRAME AND RELATED PARTS [301878]
FRONT BODY PANEL AND HEADLIGHT ASSEMBLIES [301875]
FRONT DRIVE GEARCASE ASSEMBLY [301003]
FRONT RACK AND SIDE PANEL ASSEMBLIES [301876]
FRONT SUSPENSION ASSEMBLY [301747]
GAS TANK ASSEMBLY [301883]
GEAR SHIFTING ASSEMBLY [301891]
HANDLEBAR ASSEMBLY [301638]
HYDRAULIC BRAKE ASSEMBLY [301882]
INSTRUMENT POD ASSEMBLY [301879]
MAGNETO ASSEMBLY [302160]
MAGNETO SIDE ENGINE COVERS [300325]
OIL PUMP ASSEMBLY [300326]
PASSENGER SEAT AND BACKREST ASSEMBLY [301636]
REAR DRIVE GEARCASE ASSEMBLY [99836]
REAR RACK, BODY PANEL, FOOTWELL, AND TAILLIGHT ASSEMBLIES [301877]
REAR SUSPENSION ASSEMBLY [301880]
SEAT ASSEMBLY [96152]
SECONDARY DRIVE ASSEMBLY [96972]
SECONDARY TRANSMISSION ASSEMBLY [300329]
SHIFT LEVER ASSEMBLY [301645]
STARTER CLUTCH ASSEMBLY [300331]
STEERING ASSEMBLY [301637]
SWAY BAR ASSEMBLY [96947]
THROTTLE BODY ASSEMBLY [300332]
TRANSMISSION ASSEMBLY [300265]
WATER PUMP ASSEMBLY [96971]
WHEEL AND TIRE ASSEMBLY [301881]
WIRING HARNESS ASSEMBLY [301889]
AIR INTAKE ASSEMBLY [301884]
BATTERY AND STARTER ASSEMBLY [301890]
CAM CHAIN ASSEMBLY [300149]
CASE/BELT COOLING ASSEMBLY [301887]
CLUTCH SIDE ENGINE COVERS [300311]
COOLING ASSEMBLY [301886]
CRANKCASE ASSEMBLY [300313]
CRANKSHAFT AND PISTON ASSEMBLY [301827]
CYLINDER ASSEMBLY [300314]
CYLINDER HEAD AND CAMSHAFT/VALVE ASSEMBLY [300315]
DRIVE TRAIN ASSEMBLY [301888]
ENGINE AND EXHAUST [301885]
FRAME AND RELATED PARTS [301878]
FRONT BODY PANEL AND HEADLIGHT ASSEMBLIES [301875]
FRONT DRIVE GEARCASE ASSEMBLY [301003]
FRONT RACK AND SIDE PANEL ASSEMBLIES [301876]
FRONT SUSPENSION ASSEMBLY [301747]
GAS TANK ASSEMBLY [301883]
GEAR SHIFTING ASSEMBLY [301891]
HANDLEBAR ASSEMBLY [301638]
HYDRAULIC BRAKE ASSEMBLY [301882]
INSTRUMENT POD ASSEMBLY [301879]
MAGNETO ASSEMBLY [302160]
MAGNETO SIDE ENGINE COVERS [300325]
OIL PUMP ASSEMBLY [300326]
PASSENGER SEAT AND BACKREST ASSEMBLY [301636]
REAR DRIVE GEARCASE ASSEMBLY [99836]
REAR RACK, BODY PANEL, FOOTWELL, AND TAILLIGHT ASSEMBLIES [301877]
REAR SUSPENSION ASSEMBLY [301880]
SEAT ASSEMBLY [96152]
SECONDARY DRIVE ASSEMBLY [96972]
SECONDARY TRANSMISSION ASSEMBLY [300329]
SHIFT LEVER ASSEMBLY [301645]
STARTER CLUTCH ASSEMBLY [300331]
STEERING ASSEMBLY [301637]
SWAY BAR ASSEMBLY [96947]
THROTTLE BODY ASSEMBLY [300332]
TRANSMISSION ASSEMBLY [300265]
WATER PUMP ASSEMBLY [96971]
WHEEL AND TIRE ASSEMBLY [301881]
WIRING HARNESS ASSEMBLY [301889]
VIEW WISH LIST