Greenville, TX
|
Give Us a Call
(903) 454-4440
Toggle navigation
Home
Brands
Manufacturer Models
OEM Promotions
Polaris
Can-Am
E-Z-Go
Honda
Kawasaki
Suzuki
Inventory
All Inventory In Stock
New Inventory In Stock
Used Inventory
Value Your Trade-In
Request a Model
Schedule a Test Ride
Secure Financing
Parts
Parts Department
Parts Finder
Service
Service Department
Request Polaris Service
Warranty & Recall Look-Up
Specials
Financing
About
Our Dealership
Our Team
Reviews
Customer Survey
Employment
Events Calendar
Locations
Location & Hours
Contact
Parts Finder
Home
›
Parts
›
Parts Finder
Search by :
Part / Desc
VIN
Please Select
Arctic Cat
Honda
Kawasaki
Polaris
Suzuki
*Please enter at least 3 characters
SEARCH
Manufacturer
Arctic Cat
ATVs
2017
ALTERRA TRV 700 XT EPS L7E GREEN [A2017TKT1P7EX]
VIEW WISH LIST
Select a Section
Show/Hide
AIR INTAKE ASSEMBLY [301646]
BATTERY AND STARTER ASSEMBLY [301955]
CAM CHAIN ASSEMBLY [300283]
CASE/BELT COOLING ASSEMBLY [301649]
CLUTCH/V-BELT/MAGNETO COVER ASSEMBLY [301608]
COOLING ASSEMBLY [301648]
CRANK BALANCER ASSEMBLY [301654]
CRANKCASE ASSEMBLY [301652]
CRANKSHAFT AND PISTON ASSEMBLY [301653]
CYLINDER ASSEMBLY [300238]
CYLINDER HEAD AND CAMSHAFT/VALVE ASSEMBLY [99737]
DRIVE TRAIN ASSEMBLY [301676]
EMERGENCY BRAKE ASSEMBLY [301957]
ENGINE AND EXHAUST [301952]
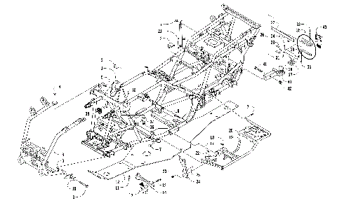
FRAME AND RELATED PARTS [301944]
FRONT BODY PANEL AND HEADLIGHT ASSEMBLIES [301939]
FRONT DRIVE GEARCASE ASSEMBLY [301268]
FRONT RACK AND SIDE PANEL ASSEMBLIES [301941]
FRONT SUSPENSION ASSEMBLY [301640]
GAS TANK ASSEMBLY [301644]
GEAR SHIFTING ASSEMBLY [300294]
HANDLEBAR ASSEMBLY [301946]
HYDRAULIC BRAKE ASSEMBLY [301951]
INSTRUMENT POD ASSEMBLY [301947]
LICENSE PLATE HOLDER ASSEMBLY [301958]
MAGNETO ASSEMBLY [300128]
OIL FILTER/PUMP ASSEMBLY [301655]
PASSENGER SEAT AND BACKREST ASSEMBLY [301636]
REAR DRIVE GEARCASE ASSEMBLY [301953]
REAR RACK, BODY PANEL, FOOTWELL, AND TAILLIGHT ASSEMBLIES [301943]
REAR SUSPENSION ASSEMBLY [301948]
SEAT ASSEMBLY [301635]
SECONDARY DRIVE ASSEMBLY [96954]
SECONDARY TRANSMISSION ASSEMBLY [97368]
SHIFT LEVER ASSEMBLY [301645]
STARTER CLUTCH ASSEMBLY [300126]
STEERING ASSEMBLY [301945]
SWAYBAR ASSEMBLY [301949]
THROTTLE BODY ASSEMBLY [89419]
TRANSMISSION ASSEMBLY [301956]
WATER PUMP ASSEMBLY [301656]
WHEEL AND TIRE ASSEMBLY [301950]
WINCH ASSEMBLY [301959]
WIRING HARNESS ASSEMBLY [301954]
AIR INTAKE ASSEMBLY [301646]
BATTERY AND STARTER ASSEMBLY [301955]
CAM CHAIN ASSEMBLY [300283]
CASE/BELT COOLING ASSEMBLY [301649]
CLUTCH/V-BELT/MAGNETO COVER ASSEMBLY [301608]
COOLING ASSEMBLY [301648]
CRANK BALANCER ASSEMBLY [301654]
CRANKCASE ASSEMBLY [301652]
CRANKSHAFT AND PISTON ASSEMBLY [301653]
CYLINDER ASSEMBLY [300238]
CYLINDER HEAD AND CAMSHAFT/VALVE ASSEMBLY [99737]
DRIVE TRAIN ASSEMBLY [301676]
EMERGENCY BRAKE ASSEMBLY [301957]
ENGINE AND EXHAUST [301952]
FRAME AND RELATED PARTS [301944]
FRONT BODY PANEL AND HEADLIGHT ASSEMBLIES [301939]
FRONT DRIVE GEARCASE ASSEMBLY [301268]
FRONT RACK AND SIDE PANEL ASSEMBLIES [301941]
FRONT SUSPENSION ASSEMBLY [301640]
GAS TANK ASSEMBLY [301644]
GEAR SHIFTING ASSEMBLY [300294]
HANDLEBAR ASSEMBLY [301946]
HYDRAULIC BRAKE ASSEMBLY [301951]
INSTRUMENT POD ASSEMBLY [301947]
LICENSE PLATE HOLDER ASSEMBLY [301958]
MAGNETO ASSEMBLY [300128]
OIL FILTER/PUMP ASSEMBLY [301655]
PASSENGER SEAT AND BACKREST ASSEMBLY [301636]
REAR DRIVE GEARCASE ASSEMBLY [301953]
REAR RACK, BODY PANEL, FOOTWELL, AND TAILLIGHT ASSEMBLIES [301943]
REAR SUSPENSION ASSEMBLY [301948]
SEAT ASSEMBLY [301635]
SECONDARY DRIVE ASSEMBLY [96954]
SECONDARY TRANSMISSION ASSEMBLY [97368]
SHIFT LEVER ASSEMBLY [301645]
STARTER CLUTCH ASSEMBLY [300126]
STEERING ASSEMBLY [301945]
SWAYBAR ASSEMBLY [301949]
THROTTLE BODY ASSEMBLY [89419]
TRANSMISSION ASSEMBLY [301956]
WATER PUMP ASSEMBLY [301656]
WHEEL AND TIRE ASSEMBLY [301950]
WINCH ASSEMBLY [301959]
WIRING HARNESS ASSEMBLY [301954]
VIEW WISH LIST