Greenville, TX
|
Give Us a Call
(903) 454-4440
Toggle navigation
Home
Brands
Manufacturer Models
OEM Promotions
Polaris
Can-Am
E-Z-Go
Honda
Kawasaki
Suzuki
Inventory
All Inventory In Stock
New Inventory In Stock
Used Inventory
Value Your Trade-In
Request a Model
Schedule a Test Ride
Secure Financing
Parts
Parts Department
Parts Finder
Service
Service Department
Request Polaris Service
Warranty & Recall Look-Up
Specials
Financing
About
Our Dealership
Our Team
Reviews
Customer Survey
Employment
Events Calendar
Locations
Location & Hours
Contact
Parts Finder
Home
›
Parts
›
Parts Finder
Search by :
Part / Desc
VIN
Please Select
Arctic Cat
Honda
Kawasaki
Polaris
Suzuki
*Please enter at least 3 characters
SEARCH
Manufacturer
Arctic Cat
ATVs
2016
ATV ALTERRA 400 L7E GREEN [A2016KAG4B7EG]
VIEW WISH LIST
Select a Section
Show/Hide
AIR INTAKE ASSEMBLY [94347]
BATTERY AND STARTER ASSEMBLY [301369]
CAM CHAIN ASSEMBLY [90862]
CARBURETOR [100407]
CASE/BELT COOLING ASSEMBLY [301437]
CLUTCH/V-BELT/MAGNETO COVER ASSEMBLY [96215]
CRANK BALANCER ASSEMBLY [90867]
CRANKCASE ASSEMBLY [300617]
CRANKSHAFT AND PISTON ASSEMBLY [94355]
CYLINDER ASSEMBLY [92885]
CYLINDER HEAD AND CAMSHAFT/VALVE ASSEMBLY [100394]
DRIVE TRAIN ASSEMBLY [100713]
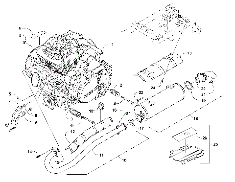
ENGINE AND EXHAUST [301436]
FRAME AND RELATED PARTS [301433]
FRONT BODY, RACK, AND HEADLIGHT ASSEMBLY [301440]
FRONT DRIVE GEARCASE ASSEMBLY [301367]
FRONT SUSPENSION ASSEMBLY [300467]
GAS TANK ASSEMBLY [301435]
GEAR SHIFTING ASSEMBLY [97660]
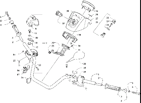
HANDLEBAR ASSEMBLY [301434]
HYDRAULIC BRAKE ASSEMBLY [300615]
LICENSE PLATE HOLDER ASSEMBLY [96062]
MAGNETO ASSEMBLY [301439]
OIL COOLER ASSEMBLY [300616]
OIL PUMP AND STRAINER ASSEMBLY [92405]
PARKING BRAKE ASSEMBLY [96050]
REAR BODY, RACK, AND TAILLIGHT ASSEMBLY [301441]
REAR DRIVE GEARCASE ASSEMBLY [97672]
REAR SUSPENSION ASSEMBLY [300468]
REED VALVE ASSEMBLY [100395]
SEAT ASSEMBLY [301363]
SECONDARY DRIVE ASSEMBLY [94327]
SECONDARY TRANSMISSION ASSEMBLY [92890]
SHIFT LEVER ASSEMBLY [301366]
STARTER CLUTCH ASSEMBLY [92888]
STEERING ASSEMBLY [300613]
TRANSMISSION ASSEMBLY [94357]
WHEEL AND TIRE ASSEMBLY [300469]
WINCH ASSEMBLY [300583]
WIRING HARNESS ASSEMBLY [301438]
AIR INTAKE ASSEMBLY [94347]
BATTERY AND STARTER ASSEMBLY [301369]
CAM CHAIN ASSEMBLY [90862]
CARBURETOR [100407]
CASE/BELT COOLING ASSEMBLY [301437]
CLUTCH/V-BELT/MAGNETO COVER ASSEMBLY [96215]
CRANK BALANCER ASSEMBLY [90867]
CRANKCASE ASSEMBLY [300617]
CRANKSHAFT AND PISTON ASSEMBLY [94355]
CYLINDER ASSEMBLY [92885]
CYLINDER HEAD AND CAMSHAFT/VALVE ASSEMBLY [100394]
DRIVE TRAIN ASSEMBLY [100713]
ENGINE AND EXHAUST [301436]
FRAME AND RELATED PARTS [301433]
FRONT BODY, RACK, AND HEADLIGHT ASSEMBLY [301440]
FRONT DRIVE GEARCASE ASSEMBLY [301367]
FRONT SUSPENSION ASSEMBLY [300467]
GAS TANK ASSEMBLY [301435]
GEAR SHIFTING ASSEMBLY [97660]
HANDLEBAR ASSEMBLY [301434]
HYDRAULIC BRAKE ASSEMBLY [300615]
LICENSE PLATE HOLDER ASSEMBLY [96062]
MAGNETO ASSEMBLY [301439]
OIL COOLER ASSEMBLY [300616]
OIL PUMP AND STRAINER ASSEMBLY [92405]
PARKING BRAKE ASSEMBLY [96050]
REAR BODY, RACK, AND TAILLIGHT ASSEMBLY [301441]
REAR DRIVE GEARCASE ASSEMBLY [97672]
REAR SUSPENSION ASSEMBLY [300468]
REED VALVE ASSEMBLY [100395]
SEAT ASSEMBLY [301363]
SECONDARY DRIVE ASSEMBLY [94327]
SECONDARY TRANSMISSION ASSEMBLY [92890]
SHIFT LEVER ASSEMBLY [301366]
STARTER CLUTCH ASSEMBLY [92888]
STEERING ASSEMBLY [300613]
TRANSMISSION ASSEMBLY [94357]
WHEEL AND TIRE ASSEMBLY [300469]
WINCH ASSEMBLY [300583]
WIRING HARNESS ASSEMBLY [301438]
VIEW WISH LIST