Greenville, TX
|
Give Us a Call
(903) 454-4440
Toggle navigation
Home
Brands
Manufacturer Models
OEM Promotions
Polaris
Can-Am
E-Z-Go
Honda
Kawasaki
Suzuki
Inventory
All Inventory In Stock
New Inventory In Stock
Used Inventory
Value Your Trade-In
Request a Model
Schedule a Test Ride
Secure Financing
Parts
Parts Department
Parts Finder
Service
Service Department
Request Polaris Service
Warranty & Recall Look-Up
Specials
Financing
About
Our Dealership
Our Team
Reviews
Customer Survey
Employment
Events Calendar
Locations
Location & Hours
Contact
Parts Finder
Home
›
Parts
›
Parts Finder
Search by :
Part / Desc
VIN
Please Select
Arctic Cat
Honda
Kawasaki
Polaris
Suzuki
*Please enter at least 3 characters
SEARCH
Manufacturer
Arctic Cat
ATVs
2015
ATV 550 XT EFT BLUE [A2015AGO1PETL]
VIEW WISH LIST
Select a Section
Show/Hide
AIR INTAKE ASSEMBLY [95913]
BATTERY AND STARTER ASSEMBLY [300627]
CAM CHAIN ASSEMBLY [89422]
CASE/BELT COOLING ASSEMBLY [91976]
CLUTCH ASSEMBLY [300606]
CLUTCH/V-BELT/MAGNETO COVER ASSEMBLY [300545]
COOLING ASSEMBLY [94428]
CRANK BALANCER ASSEMBLY [94435]
CRANKCASE ASSEMBLY [99823]
CRANKSHAFT AND PISTON ASSEMBLY [94487]
CYLINDER ASSEMBLY [93384]
CYLINDER HEAD AND CAMSHAFT/VALVE ASSEMBLY [99822]
DRIVE TRAIN ASSEMBLY [300604]
ENGINE AND EXHAUST [97028]
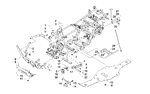
FRAME AND RELATED PARTS [300667]
FRONT DRIVE GEARCASE ASSEMBLY [300183]
FRONT RACK, BODY PANEL, AND HEADLIGHT ASSEMBLIES [300665]
FRONT SUSPENSION ASSEMBLY [300074]
GAS TANK ASSEMBLY [300624]
GEAR SHIFTING ASSEMBLY [97031]
HANDLEBAR ASSEMBLY [95898]
HYDRAULIC BRAKE ASSEMBLY [97018]
INSTRUMENT POD ASSEMBLY [300668]
LICENSE PLATE HOLDER ASSEMBLY [95896]
MAGNETO ASSEMBLY [96564]
OIL FILTER/PUMP ASSEMBLY [99739]
PARKING BRAKE ASSEMBLY [100279]
REAR DRIVE GEARCASE ASSEMBLY [300533]
REAR RACK, BODY PANEL, AND FOOTWELL ASSEMBLIES [300666]
REAR SUSPENSION ASSEMBLY [300669]
SEAT ASSEMBLY [100274]
SECONDARY DRIVE ASSEMBLY [99768]
SECONDARY TRANSMISSION ASSEMBLY [97030]
SHIFT LEVER ASSEMBLY [99820]
STARTER CLUTCH ASSEMBLY [300126]
STEERING ASSEMBLY [300180]
SWAY BAR ASSEMBLY [96947]
THROTTLE BODY ASSEMBLY [89419]
WATER PUMP ASSEMBLY [90695]
WHEEL AND TIRE ASSEMBLY [300676]
WINCH ASSEMBLY [300694]
WIRING HARNESS ASSEMBLY [300671]
AIR INTAKE ASSEMBLY [95913]
BATTERY AND STARTER ASSEMBLY [300627]
CAM CHAIN ASSEMBLY [89422]
CASE/BELT COOLING ASSEMBLY [91976]
CLUTCH ASSEMBLY [300606]
CLUTCH/V-BELT/MAGNETO COVER ASSEMBLY [300545]
COOLING ASSEMBLY [94428]
CRANK BALANCER ASSEMBLY [94435]
CRANKCASE ASSEMBLY [99823]
CRANKSHAFT AND PISTON ASSEMBLY [94487]
CYLINDER ASSEMBLY [93384]
CYLINDER HEAD AND CAMSHAFT/VALVE ASSEMBLY [99822]
DRIVE TRAIN ASSEMBLY [300604]
ENGINE AND EXHAUST [97028]
FRAME AND RELATED PARTS [300667]
FRONT DRIVE GEARCASE ASSEMBLY [300183]
FRONT RACK, BODY PANEL, AND HEADLIGHT ASSEMBLIES [300665]
FRONT SUSPENSION ASSEMBLY [300074]
GAS TANK ASSEMBLY [300624]
GEAR SHIFTING ASSEMBLY [97031]
HANDLEBAR ASSEMBLY [95898]
HYDRAULIC BRAKE ASSEMBLY [97018]
INSTRUMENT POD ASSEMBLY [300668]
LICENSE PLATE HOLDER ASSEMBLY [95896]
MAGNETO ASSEMBLY [96564]
OIL FILTER/PUMP ASSEMBLY [99739]
PARKING BRAKE ASSEMBLY [100279]
REAR DRIVE GEARCASE ASSEMBLY [300533]
REAR RACK, BODY PANEL, AND FOOTWELL ASSEMBLIES [300666]
REAR SUSPENSION ASSEMBLY [300669]
SEAT ASSEMBLY [100274]
SECONDARY DRIVE ASSEMBLY [99768]
SECONDARY TRANSMISSION ASSEMBLY [97030]
SHIFT LEVER ASSEMBLY [99820]
STARTER CLUTCH ASSEMBLY [300126]
STEERING ASSEMBLY [300180]
SWAY BAR ASSEMBLY [96947]
THROTTLE BODY ASSEMBLY [89419]
WATER PUMP ASSEMBLY [90695]
WHEEL AND TIRE ASSEMBLY [300676]
WINCH ASSEMBLY [300694]
WIRING HARNESS ASSEMBLY [300671]
VIEW WISH LIST