Greenville, TX
|
Give Us a Call
(903) 454-4440
Toggle navigation
Home
Brands
Manufacturer Models
OEM Promotions
Polaris
Can-Am
E-Z-Go
Honda
Kawasaki
Suzuki
Inventory
All Inventory In Stock
New Inventory In Stock
Used Inventory
Value Your Trade-In
Request a Model
Schedule a Test Ride
Secure Financing
Parts
Parts Department
Parts Finder
Service
Service Department
Request Polaris Service
Warranty & Recall Look-Up
Specials
Financing
About
Our Dealership
Our Team
Reviews
Customer Survey
Employment
Events Calendar
Locations
Location & Hours
Contact
Parts Finder
Home
›
Parts
›
Parts Finder
Search by :
Part / Desc
VIN
Please Select
Arctic Cat
Honda
Kawasaki
Polaris
Suzuki
*Please enter at least 3 characters
SEARCH
Manufacturer
Arctic Cat
ATVs
2010
TRV 1000 CRUISER METALLIC CAT GREEN
VIEW WISH LIST
Select a Section
Show/Hide
AIR INTAKE ASSEMBLY
BATTERY AND STARTER ASSEMBLY
CAM CHAIN ASSEMBLY
CASE/BELT COOLING ASSEMBLY
CLUTCH SIDE ENGINE COVERS
COOLING ASSEMBLY
CRANKCASE ASSEMBLY
CRANKSHAFT AND PISTON ASSEMBLY
CYLINDER ASSEMBLY
CYLINDER HEAD AND CAMSHAFT/VALVE ASSEMBLY
DRIVE TRAIN ASSEMBLY
ENGINE AND EXHAUST
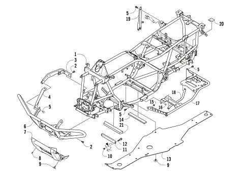
FRAME AND RELATED PARTS
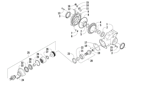
FRONT DRIVE GEARCASE ASSEMBLY
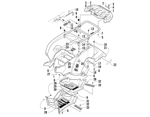
FRONT RACK, BODY PANEL, AND HEADLIGHT ASSEMBLIES
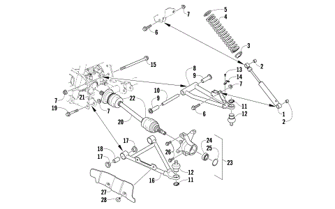
FRONT SUSPENSION ASSEMBLY
GAS TANK ASSEMBLY
GEAR SHIFTING ASSEMBLY
HANDLEBAR ASSEMBLY
HYDRAULIC BRAKE ASSEMBLY
INSTRUMENT POD ASSEMBLY
MAGNETO ASSEMBLY
MAGNETO SIDE ENGINE COVERS
OIL FILTER/PUMP ASSEMBLY
PASSENGER SEAT AND BACKREST ASSEMBLY
REAR DRIVE GEARCASE ASSEMBLY
REAR RACK, BODY PANEL, AND FOOTWELL ASSEMBLIES
REAR SUSPENSION ASSEMBLY
SEAT ASSEMBLY
SECONDARY DRIVE ASSEMBLY
SECONDARY TRANSMISSION ASSEMBLY
SHIFT LEVER ASSEMBLY
STARTER CLUTCH ASSEMBLY
STEERING ASSEMBLY
STORAGE BOX ASSEMBLY
TAILLIGHT ASSEMBLY
THROTTLE BODY ASSEMBLY
TRANSMISSION ASSEMBLY
WATER PUMP ASSEMBLY
WHEEL AND TIRE ASSEMBLY
WINCH ASSEMBLY
WINDSHIELD ASSEMBLY
WIRING HARNESS ASSEMBLY
AIR INTAKE ASSEMBLY
BATTERY AND STARTER ASSEMBLY
CAM CHAIN ASSEMBLY
CASE/BELT COOLING ASSEMBLY
CLUTCH SIDE ENGINE COVERS
COOLING ASSEMBLY
CRANKCASE ASSEMBLY
CRANKSHAFT AND PISTON ASSEMBLY
CYLINDER ASSEMBLY
CYLINDER HEAD AND CAMSHAFT/VALVE ASSEMBLY
DRIVE TRAIN ASSEMBLY
ENGINE AND EXHAUST
FRAME AND RELATED PARTS
FRONT DRIVE GEARCASE ASSEMBLY
FRONT RACK, BODY PANEL, AND HEADLIGHT ASSEMBLIES
FRONT SUSPENSION ASSEMBLY
GAS TANK ASSEMBLY
GEAR SHIFTING ASSEMBLY
HANDLEBAR ASSEMBLY
HYDRAULIC BRAKE ASSEMBLY
INSTRUMENT POD ASSEMBLY
MAGNETO ASSEMBLY
MAGNETO SIDE ENGINE COVERS
OIL FILTER/PUMP ASSEMBLY
PASSENGER SEAT AND BACKREST ASSEMBLY
REAR DRIVE GEARCASE ASSEMBLY
REAR RACK, BODY PANEL, AND FOOTWELL ASSEMBLIES
REAR SUSPENSION ASSEMBLY
SEAT ASSEMBLY
SECONDARY DRIVE ASSEMBLY
SECONDARY TRANSMISSION ASSEMBLY
SHIFT LEVER ASSEMBLY
STARTER CLUTCH ASSEMBLY
STEERING ASSEMBLY
STORAGE BOX ASSEMBLY
TAILLIGHT ASSEMBLY
THROTTLE BODY ASSEMBLY
TRANSMISSION ASSEMBLY
WATER PUMP ASSEMBLY
WHEEL AND TIRE ASSEMBLY
WINCH ASSEMBLY
WINDSHIELD ASSEMBLY
WIRING HARNESS ASSEMBLY
VIEW WISH LIST