Greenville, TX
|
Give Us a Call
(903) 454-4440
Toggle navigation
Home
Brands
Manufacturer Models
OEM Promotions
Polaris
Can-Am
E-Z-Go
Honda
Kawasaki
Suzuki
Inventory
All Inventory In Stock
New Inventory In Stock
Used Inventory
Value Your Trade-In
Request a Model
Schedule a Test Ride
Secure Financing
Parts
Parts Department
Parts Finder
Service
Service Department
Request Polaris Service
Warranty & Recall Look-Up
Specials
Financing
About
Our Dealership
Our Team
Reviews
Customer Survey
Employment
Events Calendar
Locations
Location & Hours
Contact
Parts Finder
Home
›
Parts
›
Parts Finder
Search by :
Part / Desc
VIN
Please Select
Arctic Cat
Honda
Kawasaki
Polaris
Suzuki
*Please enter at least 3 characters
SEARCH
Manufacturer
Arctic Cat
ATVs
2010
ATV 400 2X4 EU CAT GREEN [A2010IDG2BEUZ]
VIEW WISH LIST
Select a Section
Show/Hide
AIR INTAKE ASSEMBLY [96209]
BATTERY ASSEMBLY [90899]
CAM CHAIN ASSEMBLY [90862]
CARBURETOR [96072]
CASE/BELT COOLING ASSEMBLY [94316]
CLUTCH/V-BELT/MAGNETO COVER ASSEMBLY [96215]
CRANK BALANCER ASSEMBLY [90867]
CRANKCASE ASSEMBLY [100396]
CRANKSHAFT AND PISTON ASSEMBLY [90864]
CYLINDER ASSEMBLY [92885]
CYLINDER HEAD AND CAMSHAFT/VALVE ASSEMBLY [96214]
DRIVE TRAIN ASSEMBLY [96211]
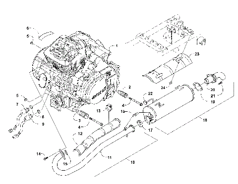
ENGINE AND EXHAUST [96210]
FRAME AND RELATED PARTS [96199]
FRONT BODY, RACK, AND HEADLIGHT ASSEMBLY [96197]
FRONT SUSPENSION ASSEMBLY [96065]
GAS TANK ASSEMBLY [96207]
GEAR SHIFTING ASSEMBLY [96217]
HANDLEBAR ASSEMBLY [96202]
HYDRAULIC BRAKE ASSEMBLY [96205]
LICENSE PLATE HOLDER ASSEMBLY [96062]
MAGNETO ASSEMBLY [92408]
OIL COOLER ASSEMBLY [92878]
OIL PUMP AND STRAINER ASSEMBLY [92889]
PARKING BRAKE ASSEMBLY [96206]
REAR BODY, RACK, AND TAILLIGHT ASSEMBLY [96198]
REAR DRIVE GEARCASE ASSEMBLY [96212]
REAR SUSPENSION ASSEMBLY [96203]
REED VALVE ASSEMBLY [96074]
SEAT ASSEMBLY [96200]
SECONDARY DRIVE ASSEMBLY [96218]
SECONDARY TRANSMISSION ASSEMBLY [92890]
SHIFT LEVER ASSEMBLY [96208]
STARTER CLUTCH ASSEMBLY [92888]
STARTER MOTOR ASSEMBLY [92893]
STEERING ASSEMBLY [96201]
TRANSMISSION ASSEMBLY [96216]
WHEEL AND TIRE ASSEMBLY [96204]
WIRING HARNESS ASSEMBLY [96213]
AIR INTAKE ASSEMBLY [96209]
BATTERY ASSEMBLY [90899]
CAM CHAIN ASSEMBLY [90862]
CARBURETOR [96072]
CASE/BELT COOLING ASSEMBLY [94316]
CLUTCH/V-BELT/MAGNETO COVER ASSEMBLY [96215]
CRANK BALANCER ASSEMBLY [90867]
CRANKCASE ASSEMBLY [100396]
CRANKSHAFT AND PISTON ASSEMBLY [90864]
CYLINDER ASSEMBLY [92885]
CYLINDER HEAD AND CAMSHAFT/VALVE ASSEMBLY [96214]
DRIVE TRAIN ASSEMBLY [96211]
ENGINE AND EXHAUST [96210]
FRAME AND RELATED PARTS [96199]
FRONT BODY, RACK, AND HEADLIGHT ASSEMBLY [96197]
FRONT SUSPENSION ASSEMBLY [96065]
GAS TANK ASSEMBLY [96207]
GEAR SHIFTING ASSEMBLY [96217]
HANDLEBAR ASSEMBLY [96202]
HYDRAULIC BRAKE ASSEMBLY [96205]
LICENSE PLATE HOLDER ASSEMBLY [96062]
MAGNETO ASSEMBLY [92408]
OIL COOLER ASSEMBLY [92878]
OIL PUMP AND STRAINER ASSEMBLY [92889]
PARKING BRAKE ASSEMBLY [96206]
REAR BODY, RACK, AND TAILLIGHT ASSEMBLY [96198]
REAR DRIVE GEARCASE ASSEMBLY [96212]
REAR SUSPENSION ASSEMBLY [96203]
REED VALVE ASSEMBLY [96074]
SEAT ASSEMBLY [96200]
SECONDARY DRIVE ASSEMBLY [96218]
SECONDARY TRANSMISSION ASSEMBLY [92890]
SHIFT LEVER ASSEMBLY [96208]
STARTER CLUTCH ASSEMBLY [92888]
STARTER MOTOR ASSEMBLY [92893]
STEERING ASSEMBLY [96201]
TRANSMISSION ASSEMBLY [96216]
WHEEL AND TIRE ASSEMBLY [96204]
WIRING HARNESS ASSEMBLY [96213]
VIEW WISH LIST