Greenville, TX
|
Give Us a Call
(903) 454-4440
Toggle navigation
Home
Brands
Manufacturer Models
OEM Promotions
Polaris
Can-Am
E-Z-Go
Honda
Kawasaki
Suzuki
Inventory
All Inventory In Stock
New Inventory In Stock
Used Inventory
Value Your Trade-In
Request a Model
Schedule a Test Ride
Secure Financing
Parts
Parts Department
Parts Finder
Service
Service Department
Request Polaris Service
Warranty & Recall Look-Up
Specials
Financing
About
Our Dealership
Our Team
Reviews
Customer Survey
Employment
Events Calendar
Locations
Location & Hours
Contact
Parts Finder
Home
›
Parts
›
Parts Finder
Search by :
Part / Desc
VIN
Please Select
Arctic Cat
Honda
Kawasaki
Polaris
Suzuki
*Please enter at least 3 characters
SEARCH
Manufacturer
Arctic Cat
ATVs
2009
ATV TRV RED [A2009TBW4EUSR]
VIEW WISH LIST
Select a Section
Show/Hide
AIR INTAKE ASSEMBLY [91006]
AUXILIARY BRAKE ASSEMBLY [91005]
BATTERY ASSEMBLY [90366]
CAM CHAIN ASSEMBLY [96536]
CASE/BELT COOLING ASSEMBLY [90765]
CLUTCH SIDE ENGINE COVERS [92326]
COOLING ASSEMBLY [90304]
CRANKCASE ASSEMBLY [92066]
CRANKSHAFT AND PISTON ASSEMBLY [90315]
CYLINDER ASSEMBLY [92064]
CYLINDER HEAD AND CAMSHAFT/VALVE ASSEMBLY [90835]
DRIVE TRAIN ASSEMBLY [92335]
ENGINE AND EXHAUST [92334]
FRAME AND RELATED PARTS [90753]
FRONT DRIVE GEARCASE ASSEMBLY [93901]
FRONT RACK, BODY PANEL, AND HEADLIGHT ASSEMBLIES [90998]
FRONT SUSPENSION ASSEMBLY [91002]
GAS TANK ASSEMBLY [300833]
GEAR SHIFTING ASSEMBLY [90322]
HANDLEBAR ASSEMBLY [90785]
HYDRAULIC BRAKE ASSEMBLY [88717]
HYDRAULIC HAND BRAKE ASSEMBLY [90298]
INSTRUMENT POD ASSEMBLY [91001]
MAGNETO ASSEMBLY [93953]
MAGNETO SIDE ENGINE COVERS [96253]
OIL FILTER/PUMP ASSEMBLY [90317]
PASSENGER SEAT AND BACKREST ASSEMBLY [92011]
REAR DRIVE GEARCASE ASSEMBLY [90768]
REAR RACK, BODY PANEL, AND FOOTWELL ASSEMBLIES [90999]
REAR SUSPENSION ASSEMBLY [91003]
SEAT ASSEMBLY [92049]
SECONDARY DRIVE ASSEMBLY [92071]
SECONDARY TRANSMISSION ASSEMBLY [300867]
SHIFT LEVER ASSEMBLY [90763]
STARTER CLUTCH ASSEMBLY [99968]
STARTER MOTOR ASSEMBLY [91011]
STEERING ASSEMBLY [300839]
TAILLIGHT ASSEMBLY [88992]
THROTTLE BODY ASSEMBLY [96969]
TRANSMISSION ASSEMBLY [94204]
WATER PUMP ASSEMBLY [92068]
WHEEL AND TIRE ASSEMBLY [92301]
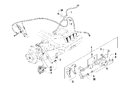
WIRING HARNESS ASSEMBLY [91010]
AIR INTAKE ASSEMBLY [91006]
AUXILIARY BRAKE ASSEMBLY [91005]
BATTERY ASSEMBLY [90366]
CAM CHAIN ASSEMBLY [96536]
CASE/BELT COOLING ASSEMBLY [90765]
CLUTCH SIDE ENGINE COVERS [92326]
COOLING ASSEMBLY [90304]
CRANKCASE ASSEMBLY [92066]
CRANKSHAFT AND PISTON ASSEMBLY [90315]
CYLINDER ASSEMBLY [92064]
CYLINDER HEAD AND CAMSHAFT/VALVE ASSEMBLY [90835]
DRIVE TRAIN ASSEMBLY [92335]
ENGINE AND EXHAUST [92334]
FRAME AND RELATED PARTS [90753]
FRONT DRIVE GEARCASE ASSEMBLY [93901]
FRONT RACK, BODY PANEL, AND HEADLIGHT ASSEMBLIES [90998]
FRONT SUSPENSION ASSEMBLY [91002]
GAS TANK ASSEMBLY [300833]
GEAR SHIFTING ASSEMBLY [90322]
HANDLEBAR ASSEMBLY [90785]
HYDRAULIC BRAKE ASSEMBLY [88717]
HYDRAULIC HAND BRAKE ASSEMBLY [90298]
INSTRUMENT POD ASSEMBLY [91001]
MAGNETO ASSEMBLY [93953]
MAGNETO SIDE ENGINE COVERS [96253]
OIL FILTER/PUMP ASSEMBLY [90317]
PASSENGER SEAT AND BACKREST ASSEMBLY [92011]
REAR DRIVE GEARCASE ASSEMBLY [90768]
REAR RACK, BODY PANEL, AND FOOTWELL ASSEMBLIES [90999]
REAR SUSPENSION ASSEMBLY [91003]
SEAT ASSEMBLY [92049]
SECONDARY DRIVE ASSEMBLY [92071]
SECONDARY TRANSMISSION ASSEMBLY [300867]
SHIFT LEVER ASSEMBLY [90763]
STARTER CLUTCH ASSEMBLY [99968]
STARTER MOTOR ASSEMBLY [91011]
STEERING ASSEMBLY [300839]
TAILLIGHT ASSEMBLY [88992]
THROTTLE BODY ASSEMBLY [96969]
TRANSMISSION ASSEMBLY [94204]
WATER PUMP ASSEMBLY [92068]
WHEEL AND TIRE ASSEMBLY [92301]
WIRING HARNESS ASSEMBLY [91010]
VIEW WISH LIST