Greenville, TX
|
Give Us a Call
(903) 454-4440
Toggle navigation
Home
Brands
Manufacturer Models
OEM Promotions
Polaris
Can-Am
E-Z-Go
Honda
Kawasaki
Suzuki
Inventory
All Inventory In Stock
New Inventory In Stock
Used Inventory
Value Your Trade-In
Request a Model
Schedule a Test Ride
Secure Financing
Parts
Parts Department
Parts Finder
Service
Service Department
Request Polaris Service
Warranty & Recall Look-Up
Specials
Financing
About
Our Dealership
Our Team
Reviews
Customer Survey
Employment
Events Calendar
Locations
Location & Hours
Contact
Parts Finder
Home
›
Parts
›
Parts Finder
Search by :
Part / Desc
VIN
Please Select
Arctic Cat
Honda
Kawasaki
Polaris
Suzuki
*Please enter at least 3 characters
SEARCH
Manufacturer
Arctic Cat
ATVs
2009
ATV 700 TRV CRUISER STEEL BLUE [A2009TCT4EUSV]
VIEW WISH LIST
Select a Section
Show/Hide
AIR INTAKE ASSEMBLY [91973]
AUXILIARY BRAKE ASSEMBLY [90790]
BATTERY ASSEMBLY [90366]
CAM CHAIN ASSEMBLY [89422]
CASE/BELT COOLING ASSEMBLY [89414]
CLUTCH/V-BELT/MAGNETO COVER ASSEMBLY [90741]
COOLING ASSEMBLY [92281]
CRANK BALANCER ASSEMBLY [94435]
CRANKCASE ASSEMBLY [96267]
CRANKSHAFT AND PISTON ASSEMBLY [300125]
CYLINDER ASSEMBLY [99736]
CYLINDER HEAD AND CAMSHAFT/VALVE ASSEMBLY [92283]
DRIVE TRAIN ASSEMBLY [92039]
ENGINE AND EXHAUST [92038]
FRAME AND RELATED PARTS [92010]
FRONT DRIVE GEARCASE ASSEMBLY [93886]
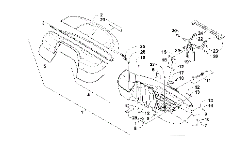
FRONT RACK, BODY PANEL, AND HEADLIGHT ASSEMBLIES [90723]
FRONT SUSPENSION ASSEMBLY [96459]
GAS TANK ASSEMBLY [300832]
GEAR SHIFTING ASSEMBLY [300863]
HANDLEBAR ASSEMBLY [90382]
HYDRAULIC BRAKE ASSEMBLY [88717]
HYDRAULIC HAND BRAKE ASSEMBLY [90298]
INSTRUMENT POD ASSEMBLY [90728]
MAGNETO ASSEMBLY [91019]
OIL FILTER/PUMP ASSEMBLY [300848]
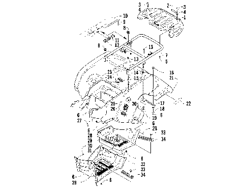
PASSENGER SEAT AND BACKREST ASSEMBLY [90725]
REAR DRIVE GEARCASE ASSEMBLY [90857]
REAR RACK, BODY PANEL, AND FOOTWELL ASSEMBLIES [90724]
REAR SUSPENSION ASSEMBLY [90731]
SEAT ASSEMBLY [91964]
SECONDARY DRIVE ASSEMBLY (ENGINE SERIAL NO. Up to 0700A60010049) [300851]
SECONDARY DRIVE ASSEMBLY [91988]
SECONDARY TRANSMISSION ASSEMBLY (ENGINE SERIAL NO. 0700A60010050 and Up) [300865]
SECONDARY TRANSMISSION ASSEMBLY (ENGINE SERIAL NO. UP TO 0700A60010049) [90743]
SHIFT LEVER ASSEMBLY [90984]
STARTER CLUTCH ASSEMBLY [300126]
STARTER MOTOR ASSEMBLY [91018]
STEERING ASSEMBLY [300839]
STORAGE BOX ASSEMBLY [98483]
TAILLIGHT ASSEMBLY [88992]
THROTTLE BODY ASSEMBLY [89419]
TRANSMISSION ASSEMBLY [96231]
WATER PUMP ASSEMBLY [90695]
WHEEL AND TIRE ASSEMBLY [92004]
WINCH ASSEMBLY [90620]
WINDSHIELD ASSEMBLY [90729]
WIRING HARNESS ASSEMBLY [90738]
AIR INTAKE ASSEMBLY [91973]
AUXILIARY BRAKE ASSEMBLY [90790]
BATTERY ASSEMBLY [90366]
CAM CHAIN ASSEMBLY [89422]
CASE/BELT COOLING ASSEMBLY [89414]
CLUTCH/V-BELT/MAGNETO COVER ASSEMBLY [90741]
COOLING ASSEMBLY [92281]
CRANK BALANCER ASSEMBLY [94435]
CRANKCASE ASSEMBLY [96267]
CRANKSHAFT AND PISTON ASSEMBLY [300125]
CYLINDER ASSEMBLY [99736]
CYLINDER HEAD AND CAMSHAFT/VALVE ASSEMBLY [92283]
DRIVE TRAIN ASSEMBLY [92039]
ENGINE AND EXHAUST [92038]
FRAME AND RELATED PARTS [92010]
FRONT DRIVE GEARCASE ASSEMBLY [93886]
FRONT RACK, BODY PANEL, AND HEADLIGHT ASSEMBLIES [90723]
FRONT SUSPENSION ASSEMBLY [96459]
GAS TANK ASSEMBLY [300832]
GEAR SHIFTING ASSEMBLY [300863]
HANDLEBAR ASSEMBLY [90382]
HYDRAULIC BRAKE ASSEMBLY [88717]
HYDRAULIC HAND BRAKE ASSEMBLY [90298]
INSTRUMENT POD ASSEMBLY [90728]
MAGNETO ASSEMBLY [91019]
OIL FILTER/PUMP ASSEMBLY [300848]
PASSENGER SEAT AND BACKREST ASSEMBLY [90725]
REAR DRIVE GEARCASE ASSEMBLY [90857]
REAR RACK, BODY PANEL, AND FOOTWELL ASSEMBLIES [90724]
REAR SUSPENSION ASSEMBLY [90731]
SEAT ASSEMBLY [91964]
SECONDARY DRIVE ASSEMBLY (ENGINE SERIAL NO. Up to 0700A60010049) [300851]
SECONDARY DRIVE ASSEMBLY [91988]
SECONDARY TRANSMISSION ASSEMBLY (ENGINE SERIAL NO. 0700A60010050 and Up) [300865]
SECONDARY TRANSMISSION ASSEMBLY (ENGINE SERIAL NO. UP TO 0700A60010049) [90743]
SHIFT LEVER ASSEMBLY [90984]
STARTER CLUTCH ASSEMBLY [300126]
STARTER MOTOR ASSEMBLY [91018]
STEERING ASSEMBLY [300839]
STORAGE BOX ASSEMBLY [98483]
TAILLIGHT ASSEMBLY [88992]
THROTTLE BODY ASSEMBLY [89419]
TRANSMISSION ASSEMBLY [96231]
WATER PUMP ASSEMBLY [90695]
WHEEL AND TIRE ASSEMBLY [92004]
WINCH ASSEMBLY [90620]
WINDSHIELD ASSEMBLY [90729]
WIRING HARNESS ASSEMBLY [90738]
VIEW WISH LIST