Greenville, TX
|
Give Us a Call
(903) 454-4440
Toggle navigation
Home
Brands
Manufacturer Models
OEM Promotions
Polaris
Can-Am
E-Z-Go
Honda
Kawasaki
Suzuki
Inventory
All Inventory In Stock
New Inventory In Stock
Used Inventory
Value Your Trade-In
Request a Model
Schedule a Test Ride
Secure Financing
Parts
Parts Department
Parts Finder
Service
Service Department
Request Polaris Service
Warranty & Recall Look-Up
Specials
Financing
About
Our Dealership
Our Team
Reviews
Customer Survey
Employment
Events Calendar
Locations
Location & Hours
Contact
Parts Finder
Home
›
Parts
›
Parts Finder
Search by :
Part / Desc
VIN
Please Select
Arctic Cat
Honda
Kawasaki
Polaris
Suzuki
*Please enter at least 3 characters
SEARCH
Manufacturer
Arctic Cat
ATVs
2009
ATV 550 TRV RED [A2009TBO4EUSR]
VIEW WISH LIST
Select a Section
Show/Hide
AIR INTAKE ASSEMBLY [91973]
AUXILIARY BRAKE ASSEMBLY [90790]
BATTERY ASSEMBLY [90366]
CAM CHAIN ASSEMBLY [89422]
CASE/BELT COOLING ASSEMBLY [89414]
CLUTCH/V-BELT/MAGNETO COVER ASSEMBLY [90741]
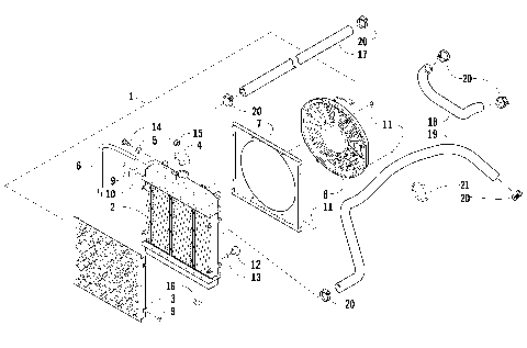
COOLING ASSEMBLY [90334]
CRANK BALANCER ASSEMBLY [94435]
CRANKCASE ASSEMBLY [96267]
CRANKSHAFT AND PISTON ASSEMBLY [90371]
CYLINDER ASSEMBLY [93384]
CYLINDER HEAD AND CAMSHAFT/VALVE ASSEMBLY [90340]
DRIVE TRAIN ASSEMBLY [92020]
ENGINE AND EXHAUST [93380]
FRAME AND RELATED PARTS [92010]
FRONT DRIVE GEARCASE ASSEMBLY [93897]
FRONT RACK, BODY PANEL, AND HEADLIGHT ASSEMBLIES [90358]
FRONT SUSPENSION ASSEMBLY [89404]
GAS TANK ASSEMBLY [300832]
GEAR SHIFTING ASSEMBLY [300863]
HANDLEBAR ASSEMBLY [90785]
HYDRAULIC BRAKE ASSEMBLY [88717]
HYDRAULIC HAND BRAKE ASSEMBLY [90298]
INSTRUMENT POD ASSEMBLY [90362]
MAGNETO ASSEMBLY [91019]
OIL FILTER/PUMP ASSEMBLY [99739]
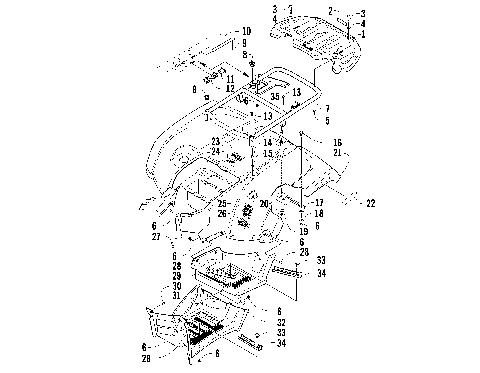
PASSENGER SEAT AND BACKREST ASSEMBLY [90361]
REAR DRIVE GEARCASE ASSEMBLY [90798]
REAR RACK, BODY PANEL, AND FOOTWELL ASSEMBLIES [90359]
REAR SUSPENSION ASSEMBLY [90363]
SEAT ASSEMBLY [91964]
SECONDARY DRIVE ASSEMBLY [91988]
SECONDARY TRANSMISSION ASSEMBLY [300867]
SHIFT LEVER ASSEMBLY [90984]
STARTER CLUTCH ASSEMBLY [300126]
STARTER MOTOR ASSEMBLY [91018]
STEERING ASSEMBLY [300839]
TAILLIGHT ASSEMBLY [88992]
THROTTLE BODY ASSEMBLY [89419]
TRANSMISSION ASSEMBLY [96231]
WATER PUMP ASSEMBLY [90695]
WHEEL AND TIRE ASSEMBLY [91969]
WIRING HARNESS ASSEMBLY [90369]
AIR INTAKE ASSEMBLY [91973]
AUXILIARY BRAKE ASSEMBLY [90790]
BATTERY ASSEMBLY [90366]
CAM CHAIN ASSEMBLY [89422]
CASE/BELT COOLING ASSEMBLY [89414]
CLUTCH/V-BELT/MAGNETO COVER ASSEMBLY [90741]
COOLING ASSEMBLY [90334]
CRANK BALANCER ASSEMBLY [94435]
CRANKCASE ASSEMBLY [96267]
CRANKSHAFT AND PISTON ASSEMBLY [90371]
CYLINDER ASSEMBLY [93384]
CYLINDER HEAD AND CAMSHAFT/VALVE ASSEMBLY [90340]
DRIVE TRAIN ASSEMBLY [92020]
ENGINE AND EXHAUST [93380]
FRAME AND RELATED PARTS [92010]
FRONT DRIVE GEARCASE ASSEMBLY [93897]
FRONT RACK, BODY PANEL, AND HEADLIGHT ASSEMBLIES [90358]
FRONT SUSPENSION ASSEMBLY [89404]
GAS TANK ASSEMBLY [300832]
GEAR SHIFTING ASSEMBLY [300863]
HANDLEBAR ASSEMBLY [90785]
HYDRAULIC BRAKE ASSEMBLY [88717]
HYDRAULIC HAND BRAKE ASSEMBLY [90298]
INSTRUMENT POD ASSEMBLY [90362]
MAGNETO ASSEMBLY [91019]
OIL FILTER/PUMP ASSEMBLY [99739]
PASSENGER SEAT AND BACKREST ASSEMBLY [90361]
REAR DRIVE GEARCASE ASSEMBLY [90798]
REAR RACK, BODY PANEL, AND FOOTWELL ASSEMBLIES [90359]
REAR SUSPENSION ASSEMBLY [90363]
SEAT ASSEMBLY [91964]
SECONDARY DRIVE ASSEMBLY [91988]
SECONDARY TRANSMISSION ASSEMBLY [300867]
SHIFT LEVER ASSEMBLY [90984]
STARTER CLUTCH ASSEMBLY [300126]
STARTER MOTOR ASSEMBLY [91018]
STEERING ASSEMBLY [300839]
TAILLIGHT ASSEMBLY [88992]
THROTTLE BODY ASSEMBLY [89419]
TRANSMISSION ASSEMBLY [96231]
WATER PUMP ASSEMBLY [90695]
WHEEL AND TIRE ASSEMBLY [91969]
WIRING HARNESS ASSEMBLY [90369]
VIEW WISH LIST