Greenville, TX
|
Give Us a Call
(903) 454-4440
Toggle navigation
Home
Brands
Manufacturer Models
OEM Promotions
Polaris
Can-Am
E-Z-Go
Honda
Kawasaki
Suzuki
Inventory
All Inventory In Stock
New Inventory In Stock
Used Inventory
Value Your Trade-In
Request a Model
Schedule a Test Ride
Secure Financing
Parts
Parts Department
Parts Finder
Service
Service Department
Request Polaris Service
Warranty & Recall Look-Up
Specials
Financing
About
Our Dealership
Our Team
Reviews
Customer Survey
Employment
Events Calendar
Locations
Location & Hours
Contact
Parts Finder
Home
›
Parts
›
Parts Finder
Search by :
Part / Desc
VIN
Please Select
Arctic Cat
Honda
Kawasaki
Polaris
Suzuki
*Please enter at least 3 characters
SEARCH
Manufacturer
Arctic Cat
ATVs
2009
ATV 366 4X4 AUTOMATIC GREEN [A2009IDG4BUSG]
VIEW WISH LIST
Select a Section
Show/Hide
AIR INTAKE ASSEMBLY [90898]
AUXILIARY BRAKE ASSEMBLY [90893]
BATTERY ASSEMBLY [90899]
CAM CHAIN ASSEMBLY [90862]
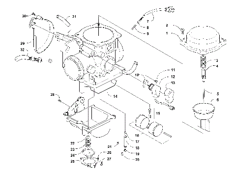
CARBURETOR [90907]
CASE/BELT COOLING ASSEMBLY [90902]
CLUTCH/V-BELT/MAGNETO COVER ASSEMBLY [90865]
CRANK BALANCER ASSEMBLY [90867]
CRANKCASE ASSEMBLY [90863]
CRANKSHAFT AND PISTON ASSEMBLY [90864]
CYLINDER ASSEMBLY [90860]
CYLINDER HEAD AND CAMSHAFT/VALVE ASSEMBLY [92402]
DRIVE TRAIN ASSEMBLY [90903]
ENGINE AND EXHAUST [90900]
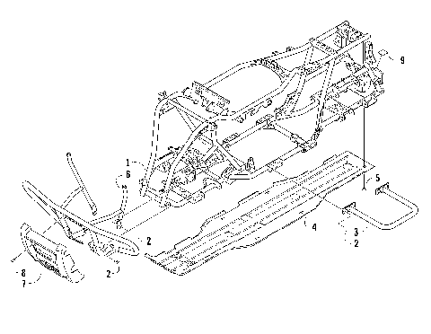
FRAME AND RELATED PARTS [92866]
FRONT BODY, RACK, AND HEADLIGHT ASSEMBLY [90914]
FRONT DRIVE GEARCASE ASSEMBLY [90904]
FRONT SUSPENSION ASSEMBLY [90916]
GAS TANK ASSEMBLY [90896]
GEAR SHIFTING ASSEMBLY [90871]
HANDLEBAR ASSEMBLY [90889]
HYDRAULIC BRAKE ASSEMBLY [90895]
HYDRAULIC HAND BRAKE ASSEMBLY [90894]
MAGNETO ASSEMBLY [90874]
OIL COOLER ASSEMBLY [90901]
OIL PUMP AND STRAINER ASSEMBLY [90868]
REAR BODY, RACK, AND TAILLIGHT ASSEMBLY [90915]
REAR DRIVE GEARCASE ASSEMBLY [90905]
REAR SUSPENSION ASSEMBLY [90917]
SEAT ASSEMBLY [90887]
SECONDARY DRIVE ASSEMBLY [90911]
SECONDARY TRANSMISSION ASSEMBLY [92890]
SHIFT LEVER ASSEMBLY [90897]
STARTER CLUTCH ASSEMBLY [90909]
STARTER MOTOR ASSEMBLY [90912]
STEERING ASSEMBLY [90888]
TRANSMISSION ASSEMBLY [96216]
WHEEL AND TIRE ASSEMBLY [90892]
WIRING HARNESS ASSEMBLY [90906]
AIR INTAKE ASSEMBLY [90898]
AUXILIARY BRAKE ASSEMBLY [90893]
BATTERY ASSEMBLY [90899]
CAM CHAIN ASSEMBLY [90862]
CARBURETOR [90907]
CASE/BELT COOLING ASSEMBLY [90902]
CLUTCH/V-BELT/MAGNETO COVER ASSEMBLY [90865]
CRANK BALANCER ASSEMBLY [90867]
CRANKCASE ASSEMBLY [90863]
CRANKSHAFT AND PISTON ASSEMBLY [90864]
CYLINDER ASSEMBLY [90860]
CYLINDER HEAD AND CAMSHAFT/VALVE ASSEMBLY [92402]
DRIVE TRAIN ASSEMBLY [90903]
ENGINE AND EXHAUST [90900]
FRAME AND RELATED PARTS [92866]
FRONT BODY, RACK, AND HEADLIGHT ASSEMBLY [90914]
FRONT DRIVE GEARCASE ASSEMBLY [90904]
FRONT SUSPENSION ASSEMBLY [90916]
GAS TANK ASSEMBLY [90896]
GEAR SHIFTING ASSEMBLY [90871]
HANDLEBAR ASSEMBLY [90889]
HYDRAULIC BRAKE ASSEMBLY [90895]
HYDRAULIC HAND BRAKE ASSEMBLY [90894]
MAGNETO ASSEMBLY [90874]
OIL COOLER ASSEMBLY [90901]
OIL PUMP AND STRAINER ASSEMBLY [90868]
REAR BODY, RACK, AND TAILLIGHT ASSEMBLY [90915]
REAR DRIVE GEARCASE ASSEMBLY [90905]
REAR SUSPENSION ASSEMBLY [90917]
SEAT ASSEMBLY [90887]
SECONDARY DRIVE ASSEMBLY [90911]
SECONDARY TRANSMISSION ASSEMBLY [92890]
SHIFT LEVER ASSEMBLY [90897]
STARTER CLUTCH ASSEMBLY [90909]
STARTER MOTOR ASSEMBLY [90912]
STEERING ASSEMBLY [90888]
TRANSMISSION ASSEMBLY [96216]
WHEEL AND TIRE ASSEMBLY [90892]
WIRING HARNESS ASSEMBLY [90906]
VIEW WISH LIST