Greenville, TX
|
Give Us a Call
(903) 454-4440
Toggle navigation
Home
Brands
Manufacturer Models
OEM Promotions
Polaris
Can-Am
E-Z-Go
Honda
Kawasaki
Suzuki
Inventory
All Inventory In Stock
New Inventory In Stock
Used Inventory
Value Your Trade-In
Request a Model
Schedule a Test Ride
Secure Financing
Parts
Parts Department
Parts Finder
Service
Service Department
Request Polaris Service
Warranty & Recall Look-Up
Specials
Financing
About
Our Dealership
Our Team
Reviews
Customer Survey
Employment
Events Calendar
Locations
Location & Hours
Contact
Parts Finder
Home
›
Parts
›
Parts Finder
Search by :
Part / Desc
VIN
Please Select
Arctic Cat
Honda
Kawasaki
Polaris
Suzuki
*Please enter at least 3 characters
SEARCH
Manufacturer
Arctic Cat
ATVs
2008
ATV 650 H1 AUTOMATIC TRANSMISSION 4X4 FIS BLACK [A2008IBS4BUSP]
VIEW WISH LIST
Select a Section
Show/Hide
AIR INTAKE ASSEMBLY [87510]
AUXILIARY BRAKE ASSEMBLY [87508]
BATTERY ASSEMBLY [83547]
BODY PANELS AND DECALS [87531]
CAM CHAIN ASSEMBLY [89081]
CAMSHAFT/VALVE ASSEMBLY [87527]
CARBURETOR [87526]
CASE/BELT COOLING ASSEMBLY [87512]
CLUTCH/V-BELT/MAGNETO COVER ASSEMBLY [87517]
CONTROL SWITCH HOUSING ASSEMBLY [89209]
COOLING ASSEMBLY [87511]
CRANK BALANCER ASSEMBLY [94435]
CRANKCASE ASSEMBLY [87516]
CRANKSHAFT AND PISTON ASSEMBLY [90803]
CYLINDER AND PISTON ASSEMBLY [89074]
CYLINDER HEAD ASSEMBLY [87515]
DRIVE TRAIN ASSEMBLY [89189]
ENGINE AND EXHAUST [87525]
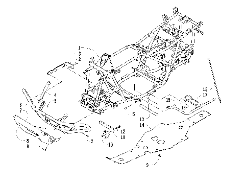
FRAME AND RELATED PARTS [87506]
FRONT DRIVE GEARCASE ASSEMBLY [89009]
FRONT RACK AND HEADLIGHT ASSEMBLIES [88736]
FRONT SUSPENSION ASSEMBLY [85941]
GAS TANK ASSEMBLY [89182]
GEAR SHIFTING ASSEMBLY [85847]
HANDLEBAR ASSEMBLY [87532]
HYDRAULIC BRAKE ASSEMBLY [88717]
HYDRAULIC HAND BRAKE ASSEMBLY [90298]
MAGNETO ASSEMBLY [90806]
OIL FILTER/PUMP ASSEMBLY [99739]
OUTER MAGNETO COVER ASSEMBLY [89082]
REAR DRIVE GEARCASE ASSEMBLY [89010]
REAR RACK AND FOOTWELL ASSEMBLIES [87350]
REAR SUSPENSION ASSEMBLY [85942]
SEAT ASSEMBLY [83537]
SECONDARY DRIVE ASSEMBLY [87521]
SECONDARY TRANSMISSION ASSEMBLY [87528]
SHIFT LEVER ASSEMBLY [90984]
STARTER CLUTCH ASSEMBLY [300126]
STARTER MOTOR ASSEMBLY [91018]
STEERING ASSEMBLY [87317]
TAILLIGHT ASSEMBLY [88992]
THROTTLE CASE ASSEMBLY [89034]
TRANSMISSION ASSEMBLY [92361]
WATER PUMP ASSEMBLY [90695]
WHEEL AND TIRE ASSEMBLY [88998]
WIRING HARNESS ASSEMBLY [87514]
AIR INTAKE ASSEMBLY [87510]
AUXILIARY BRAKE ASSEMBLY [87508]
BATTERY ASSEMBLY [83547]
BODY PANELS AND DECALS [87531]
CAM CHAIN ASSEMBLY [89081]
CAMSHAFT/VALVE ASSEMBLY [87527]
CARBURETOR [87526]
CASE/BELT COOLING ASSEMBLY [87512]
CLUTCH/V-BELT/MAGNETO COVER ASSEMBLY [87517]
CONTROL SWITCH HOUSING ASSEMBLY [89209]
COOLING ASSEMBLY [87511]
CRANK BALANCER ASSEMBLY [94435]
CRANKCASE ASSEMBLY [87516]
CRANKSHAFT AND PISTON ASSEMBLY [90803]
CYLINDER AND PISTON ASSEMBLY [89074]
CYLINDER HEAD ASSEMBLY [87515]
DRIVE TRAIN ASSEMBLY [89189]
ENGINE AND EXHAUST [87525]
FRAME AND RELATED PARTS [87506]
FRONT DRIVE GEARCASE ASSEMBLY [89009]
FRONT RACK AND HEADLIGHT ASSEMBLIES [88736]
FRONT SUSPENSION ASSEMBLY [85941]
GAS TANK ASSEMBLY [89182]
GEAR SHIFTING ASSEMBLY [85847]
HANDLEBAR ASSEMBLY [87532]
HYDRAULIC BRAKE ASSEMBLY [88717]
HYDRAULIC HAND BRAKE ASSEMBLY [90298]
MAGNETO ASSEMBLY [90806]
OIL FILTER/PUMP ASSEMBLY [99739]
OUTER MAGNETO COVER ASSEMBLY [89082]
REAR DRIVE GEARCASE ASSEMBLY [89010]
REAR RACK AND FOOTWELL ASSEMBLIES [87350]
REAR SUSPENSION ASSEMBLY [85942]
SEAT ASSEMBLY [83537]
SECONDARY DRIVE ASSEMBLY [87521]
SECONDARY TRANSMISSION ASSEMBLY [87528]
SHIFT LEVER ASSEMBLY [90984]
STARTER CLUTCH ASSEMBLY [300126]
STARTER MOTOR ASSEMBLY [91018]
STEERING ASSEMBLY [87317]
TAILLIGHT ASSEMBLY [88992]
THROTTLE CASE ASSEMBLY [89034]
TRANSMISSION ASSEMBLY [92361]
WATER PUMP ASSEMBLY [90695]
WHEEL AND TIRE ASSEMBLY [88998]
WIRING HARNESS ASSEMBLY [87514]
VIEW WISH LIST