Greenville, TX
|
Give Us a Call
(903) 454-4440
Toggle navigation
Home
Brands
Manufacturer Models
OEM Promotions
Polaris
Can-Am
E-Z-Go
Honda
Kawasaki
Suzuki
Inventory
All Inventory In Stock
New Inventory In Stock
Used Inventory
Value Your Trade-In
Request a Model
Schedule a Test Ride
Secure Financing
Parts
Parts Department
Parts Finder
Service
Service Department
Request Polaris Service
Warranty & Recall Look-Up
Specials
Financing
About
Our Dealership
Our Team
Reviews
Customer Survey
Employment
Events Calendar
Locations
Location & Hours
Contact
Parts Finder
Home
›
Parts
›
Parts Finder
Search by :
Part / Desc
VIN
Please Select
Arctic Cat
Honda
Kawasaki
Polaris
Suzuki
*Please enter at least 3 characters
SEARCH
Manufacturer
Arctic Cat
ATVs
2008
ATV 500 AUTOMATIC TRANSMISSION 4X4 FIS M4 CAMO [A2008IBM4BUSC]
VIEW WISH LIST
Select a Section
Show/Hide
AIR INTAKE ASSEMBLY [89184]
AUXILIARY BRAKE ASSEMBLY [87353]
BATTERY ASSEMBLY [83547]
BODY PANELS AND DECALS [87382]
CAM CHAIN ASSEMBLY [89199]
CAMSHAFT/VALVE ASSEMBLY [89198]
CARBURETOR [89012]
CASE/BELT COOLING ASSEMBLY [83550]
CLUTCH/V-BELT/MAGNETO COVER ASSEMBLY [89194]
CONTROL SWITCH HOUSING ASSEMBLY [89209]
COOLING ASSEMBLY [87356]
CRANK BALANCER ASSEMBLY [78609]
CRANKCASE ASSEMBLY [89193]
CRANKSHAFT ASSEMBLY [89195]
CYLINDER ASSEMBLY [89192]
CYLINDER HEAD ASSEMBLY [87367]
DRIVE TRAIN ASSEMBLY [89189]
ENGINE AND EXHAUST [85749]
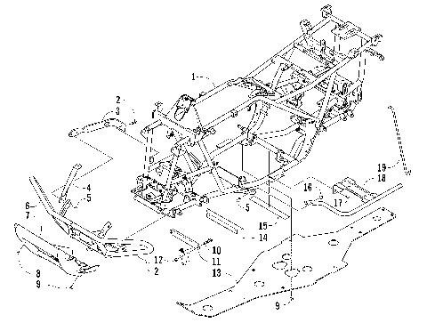
FRAME AND RELATED PARTS [87352]
FRONT DRIVE GEARCASE ASSEMBLY [89009]
FRONT RACK AND HEADLIGHT ASSEMBLIES [87349]
FRONT SUSPENSION ASSEMBLY [85911]
GAS TANK ASSEMBLY [89182]
GEAR SHIFTING ASSEMBLY [89206]
HANDLEBAR ASSEMBLY [87383]
HYDRAULIC BRAKE ASSEMBLY [88717]
HYDRAULIC HAND BRAKE ASSEMBLY [90298]
MAGNETO ASSEMBLY [89208]
OIL FILTER/PUMP ASSEMBLY [89201]
REAR DRIVE GEARCASE ASSEMBLY [89010]
REAR RACK AND FOOTWELL ASSEMBLIES [87350]
REAR SUSPENSION ASSEMBLY [85912]
RECOIL STARTER ASSEMBLY [89200]
SEAT ASSEMBLY [83537]
SECONDARY DRIVE ASSEMBLY [89205]
SECONDARY TRANSMISSION ASSEMBLY [89204]
SHIFT LEVER ASSEMBLY [89183]
STARTER CLUTCH ASSEMBLY [78608]
STARTER MOTOR ASSEMBLY [89207]
STEERING ASSEMBLY [87317]
TAILLIGHT ASSEMBLY [88992]
THROTTLE CASE ASSEMBLY [89034]
TRANSMISSION ASSEMBLY [89203]
WATER PUMP ASSEMBLY [89202]
WHEEL AND TIRE ASSEMBLY [87409]
WIRING HARNESS ASSEMBLY [89190]
AIR INTAKE ASSEMBLY [89184]
AUXILIARY BRAKE ASSEMBLY [87353]
BATTERY ASSEMBLY [83547]
BODY PANELS AND DECALS [87382]
CAM CHAIN ASSEMBLY [89199]
CAMSHAFT/VALVE ASSEMBLY [89198]
CARBURETOR [89012]
CASE/BELT COOLING ASSEMBLY [83550]
CLUTCH/V-BELT/MAGNETO COVER ASSEMBLY [89194]
CONTROL SWITCH HOUSING ASSEMBLY [89209]
COOLING ASSEMBLY [87356]
CRANK BALANCER ASSEMBLY [78609]
CRANKCASE ASSEMBLY [89193]
CRANKSHAFT ASSEMBLY [89195]
CYLINDER ASSEMBLY [89192]
CYLINDER HEAD ASSEMBLY [87367]
DRIVE TRAIN ASSEMBLY [89189]
ENGINE AND EXHAUST [85749]
FRAME AND RELATED PARTS [87352]
FRONT DRIVE GEARCASE ASSEMBLY [89009]
FRONT RACK AND HEADLIGHT ASSEMBLIES [87349]
FRONT SUSPENSION ASSEMBLY [85911]
GAS TANK ASSEMBLY [89182]
GEAR SHIFTING ASSEMBLY [89206]
HANDLEBAR ASSEMBLY [87383]
HYDRAULIC BRAKE ASSEMBLY [88717]
HYDRAULIC HAND BRAKE ASSEMBLY [90298]
MAGNETO ASSEMBLY [89208]
OIL FILTER/PUMP ASSEMBLY [89201]
REAR DRIVE GEARCASE ASSEMBLY [89010]
REAR RACK AND FOOTWELL ASSEMBLIES [87350]
REAR SUSPENSION ASSEMBLY [85912]
RECOIL STARTER ASSEMBLY [89200]
SEAT ASSEMBLY [83537]
SECONDARY DRIVE ASSEMBLY [89205]
SECONDARY TRANSMISSION ASSEMBLY [89204]
SHIFT LEVER ASSEMBLY [89183]
STARTER CLUTCH ASSEMBLY [78608]
STARTER MOTOR ASSEMBLY [89207]
STEERING ASSEMBLY [87317]
TAILLIGHT ASSEMBLY [88992]
THROTTLE CASE ASSEMBLY [89034]
TRANSMISSION ASSEMBLY [89203]
WATER PUMP ASSEMBLY [89202]
WHEEL AND TIRE ASSEMBLY [87409]
WIRING HARNESS ASSEMBLY [89190]
VIEW WISH LIST