Greenville, TX
|
Give Us a Call
(903) 454-4440
Toggle navigation
Home
Brands
Manufacturer Models
OEM Promotions
Polaris
Can-Am
E-Z-Go
Honda
Kawasaki
Suzuki
Inventory
All Inventory In Stock
New Inventory In Stock
Used Inventory
Value Your Trade-In
Request a Model
Schedule a Test Ride
Secure Financing
Parts
Parts Department
Parts Finder
Service
Service Department
Request Polaris Service
Warranty & Recall Look-Up
Specials
Financing
About
Our Dealership
Our Team
Reviews
Customer Survey
Employment
Events Calendar
Locations
Location & Hours
Contact
Parts Finder
Home
›
Parts
›
Parts Finder
Search by :
Part / Desc
VIN
Please Select
Arctic Cat
Honda
Kawasaki
Polaris
Suzuki
*Please enter at least 3 characters
SEARCH
Manufacturer
Arctic Cat
ATVs
2007
ATV 700 EFI AUTOMATIC TRANSMISSION 4X4 FIS GUN METAL BLUE [A2007IBT4CUSV]
VIEW WISH LIST
Select a Section
Show/Hide
AIR INTAKE ASSEMBLY [85558]
AUXILIARY BRAKE ASSEMBLY [85927]
BATTERY ASSEMBLY [85559]
CAM CHAIN ASSEMBLY [85571]
CAMSHAFT/VALVE ASSEMBLY [87570]
CASE/BELT COOLING ASSEMBLY [87542]
CLUTCH/V-BELT/MAGNETO COVER ASSEMBLY [85573]
CONTROL SWITCH HOUSING ASSEMBLY [89209]
COOLING ASSEMBLY [85561]
CRANK BALANCER ASSEMBLY [85575]
CRANKCASE ASSEMBLY [85572]
CRANKSHAFT ASSEMBLY [85574]
CYLINDER ASSEMBLY [87569]
CYLINDER HEAD ASSEMBLY [85568]
CYLINDER HEAD COVER ASSEMBLY [85567]
DECALS [86971]
DRIVE TRAIN ASSEMBLY [85563]
ENGINE AND EXHAUST [87541]
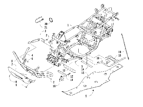
FRAME AND RELATED PARTS [85923]
FRONT BODY PANEL ASSEMBLY [86972]
FRONT DRIVE GEARCASE ASSEMBLY [85564]
FRONT SUSPENSION ASSEMBLY [85941]
GAS TANK ASSEMBLY [85556]
GEAR SHIFTING ASSEMBLY [88883]
HANDLEBAR ASSEMBLY [86973]
HYDRAULIC BRAKE ASSEMBLY [85600]
MAGNETO ASSEMBLY [85586]
OIL FILTER/PUMP ASSEMBLY [87573]
REAR BODY PANEL ASSEMBLY [86974]
REAR DRIVE GEARCASE ASSEMBLY [85565]
REAR SUSPENSION ASSEMBLY [85942]
RECOIL STARTER ASSEMBLY [85577]
SEAT ASSEMBLY [83537]
SECONDARY DRIVE ASSEMBLY [87576]
SECONDARY TRANSMISSION ASSEMBLY [85582]
SHIFT LEVER ASSEMBLY [87582]
STARTER CLUTCH ASSEMBLY [85576]
STARTER MOTOR ASSEMBLY [87577]
STEERING POST ASSEMBLY [85588]
TAILLIGHT ASSEMBLY [88992]
THROTTLE BODY ASSEMBLY [85578]
TRANSMISSION ASSEMBLY [85581]
WATER PUMP ASSEMBLY [87574]
WHEEL AND TIRE ASSEMBLY [88998]
WIRING HARNESS ASSEMBLY [85928]
AIR INTAKE ASSEMBLY [85558]
AUXILIARY BRAKE ASSEMBLY [85927]
BATTERY ASSEMBLY [85559]
CAM CHAIN ASSEMBLY [85571]
CAMSHAFT/VALVE ASSEMBLY [87570]
CASE/BELT COOLING ASSEMBLY [87542]
CLUTCH/V-BELT/MAGNETO COVER ASSEMBLY [85573]
CONTROL SWITCH HOUSING ASSEMBLY [89209]
COOLING ASSEMBLY [85561]
CRANK BALANCER ASSEMBLY [85575]
CRANKCASE ASSEMBLY [85572]
CRANKSHAFT ASSEMBLY [85574]
CYLINDER ASSEMBLY [87569]
CYLINDER HEAD ASSEMBLY [85568]
CYLINDER HEAD COVER ASSEMBLY [85567]
DECALS [86971]
DRIVE TRAIN ASSEMBLY [85563]
ENGINE AND EXHAUST [87541]
FRAME AND RELATED PARTS [85923]
FRONT BODY PANEL ASSEMBLY [86972]
FRONT DRIVE GEARCASE ASSEMBLY [85564]
FRONT SUSPENSION ASSEMBLY [85941]
GAS TANK ASSEMBLY [85556]
GEAR SHIFTING ASSEMBLY [88883]
HANDLEBAR ASSEMBLY [86973]
HYDRAULIC BRAKE ASSEMBLY [85600]
MAGNETO ASSEMBLY [85586]
OIL FILTER/PUMP ASSEMBLY [87573]
REAR BODY PANEL ASSEMBLY [86974]
REAR DRIVE GEARCASE ASSEMBLY [85565]
REAR SUSPENSION ASSEMBLY [85942]
RECOIL STARTER ASSEMBLY [85577]
SEAT ASSEMBLY [83537]
SECONDARY DRIVE ASSEMBLY [87576]
SECONDARY TRANSMISSION ASSEMBLY [85582]
SHIFT LEVER ASSEMBLY [87582]
STARTER CLUTCH ASSEMBLY [85576]
STARTER MOTOR ASSEMBLY [87577]
STEERING POST ASSEMBLY [85588]
TAILLIGHT ASSEMBLY [88992]
THROTTLE BODY ASSEMBLY [85578]
TRANSMISSION ASSEMBLY [85581]
WATER PUMP ASSEMBLY [87574]
WHEEL AND TIRE ASSEMBLY [88998]
WIRING HARNESS ASSEMBLY [85928]
VIEW WISH LIST