Greenville, TX
|
Give Us a Call
(903) 454-4440
Toggle navigation
Home
Brands
Manufacturer Models
OEM Promotions
Polaris
Can-Am
E-Z-Go
Honda
Kawasaki
Suzuki
Inventory
All Inventory In Stock
New Inventory In Stock
Used Inventory
Value Your Trade-In
Request a Model
Schedule a Test Ride
Secure Financing
Parts
Parts Department
Parts Finder
Service
Service Department
Request Polaris Service
Warranty & Recall Look-Up
Specials
Financing
About
Our Dealership
Our Team
Reviews
Customer Survey
Employment
Events Calendar
Locations
Location & Hours
Contact
Parts Finder
Home
›
Parts
›
Parts Finder
Search by :
Part / Desc
VIN
Please Select
Arctic Cat
Honda
Kawasaki
Polaris
Suzuki
*Please enter at least 3 characters
SEARCH
Manufacturer
Arctic Cat
ATVs
2005
ATV 650 H1 4X4 BLACK LE [A2005IBS4BUSO]
VIEW WISH LIST
Select a Section
Show/Hide
AIR INTAKE ASSEMBLY [83222]
AUXILIARY BRAKE ASSEMBLY [81317]
BATTERY ASSEMBLY [81321]
CAM CHAIN ASSEMBLY [89081]
CAMSHAFT/VALVE ASSEMBLY [85846]
CARBURETOR [83986]
CASE/BELT COOLING ASSEMBLY [83225]
CLUTCH/V-BELT/MAGNETO COVER ASSEMBLY [84553]
CONTROL SWITCH HOUSING ASSEMBLY [89209]
COOLING ASSEMBLY [300830]
CRANK BALANCER ASSEMBLY [94435]
CRANKCASE ASSEMBLY (Up to VIN: 4UF07MPV77T305713)[85983]
CRANKSHAFT AND PISTON ASSEMBLY [90803]
CYLINDER AND PISTON ASSEMBLY [89074]
CYLINDER HEAD ASSEMBLY [83228]
DECALS [83215]
DRIVE TRAIN ASSEMBLY [81324]
ENGINE AND EXHAUST [83223]
FRAME AND RELATED PARTS [83216]
FRONT BODY PANEL ASSEMBLY [83213]
FRONT DRIVE GEARCASE ASSEMBLY [81336]
FRONT SUSPENSION ASSEMBLY [83249]
GAS TANK ASSEMBLY [83221]
GEAR SHIFTING ASSEMBLY [83241]
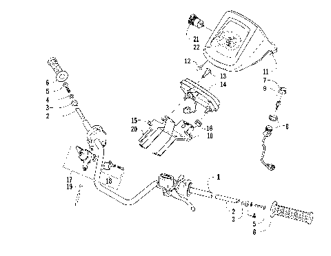
HANDLEBAR ASSEMBLY [83217]
HYDRAULIC BRAKE ASSEMBLY [83220]
HYDRAULIC HAND BRAKE ASSEMBLY [81338]
MAGNETO ASSEMBLY [90806]
OIL FILTER/PUMP ASSEMBLY [83237]
REAR BODY PANEL ASSEMBLY [83214]
REAR DRIVE GEARCASE ASSEMBLY [81185]
REAR SUSPENSION ASSEMBLY [83218]
RECOIL STARTER ASSEMBLY [300821]
REVERSE SHIFT LEVER ASSEMBLY [83996]
SEAT ASSEMBLY [90621]
SECONDARY DRIVE ASSEMBLY [92129]
SECONDARY TRANSMISSION ASSEMBLY [83240]
STARTER CLUTCH ASSEMBLY [300126]
STARTER MOTOR ASSEMBLY [300845]
STEERING POST ASSEMBLY [85588]
TAILLIGHT ASSEMBLY [88992]
THROTTLE CASE ASSEMBLY [89034]
TRANSMISSION ASSEMBLY [83239]
WATER PUMP ASSEMBLY [90695]
WHEEL AND TIRE ASSEMBLY [83219]
WIRING HARNESS ASSEMBLY [83226]
AIR INTAKE ASSEMBLY [83222]
AUXILIARY BRAKE ASSEMBLY [81317]
BATTERY ASSEMBLY [81321]
CAM CHAIN ASSEMBLY [89081]
CAMSHAFT/VALVE ASSEMBLY [85846]
CARBURETOR [83986]
CASE/BELT COOLING ASSEMBLY [83225]
CLUTCH/V-BELT/MAGNETO COVER ASSEMBLY [84553]
CONTROL SWITCH HOUSING ASSEMBLY [89209]
COOLING ASSEMBLY [300830]
CRANK BALANCER ASSEMBLY [94435]
CRANKCASE ASSEMBLY (Up to VIN: 4UF07MPV77T305713)[85983]
CRANKSHAFT AND PISTON ASSEMBLY [90803]
CYLINDER AND PISTON ASSEMBLY [89074]
CYLINDER HEAD ASSEMBLY [83228]
DECALS [83215]
DRIVE TRAIN ASSEMBLY [81324]
ENGINE AND EXHAUST [83223]
FRAME AND RELATED PARTS [83216]
FRONT BODY PANEL ASSEMBLY [83213]
FRONT DRIVE GEARCASE ASSEMBLY [81336]
FRONT SUSPENSION ASSEMBLY [83249]
GAS TANK ASSEMBLY [83221]
GEAR SHIFTING ASSEMBLY [83241]
HANDLEBAR ASSEMBLY [83217]
HYDRAULIC BRAKE ASSEMBLY [83220]
HYDRAULIC HAND BRAKE ASSEMBLY [81338]
MAGNETO ASSEMBLY [90806]
OIL FILTER/PUMP ASSEMBLY [83237]
REAR BODY PANEL ASSEMBLY [83214]
REAR DRIVE GEARCASE ASSEMBLY [81185]
REAR SUSPENSION ASSEMBLY [83218]
RECOIL STARTER ASSEMBLY [300821]
REVERSE SHIFT LEVER ASSEMBLY [83996]
SEAT ASSEMBLY [90621]
SECONDARY DRIVE ASSEMBLY [92129]
SECONDARY TRANSMISSION ASSEMBLY [83240]
STARTER CLUTCH ASSEMBLY [300126]
STARTER MOTOR ASSEMBLY [300845]
STEERING POST ASSEMBLY [85588]
TAILLIGHT ASSEMBLY [88992]
THROTTLE CASE ASSEMBLY [89034]
TRANSMISSION ASSEMBLY [83239]
WATER PUMP ASSEMBLY [90695]
WHEEL AND TIRE ASSEMBLY [83219]
WIRING HARNESS ASSEMBLY [83226]
VIEW WISH LIST